首   页 走进略阳 新闻中心 政府信息公开 政务服务 政民互动 专题专栏

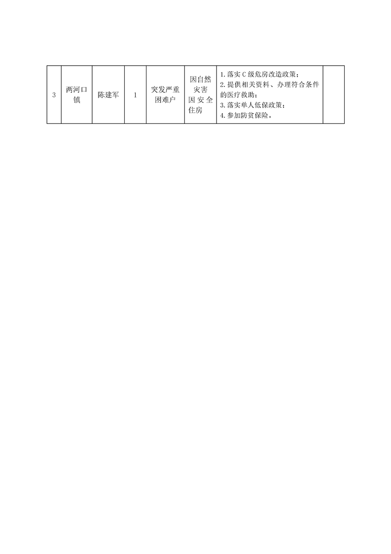
略阳县防返贫致贫监测户公告(第24批)